Design & Test impedanzkontrollierter Leiterplatten · Software & Testsysteme zur Fehlerdiagnose auf Leiterplatten
GRS 200
Fehlerdiagnosesystem für die Reparatur von Elektronikbaugruppen
Das neue GRS200 Fehlerdiagnosesystem beruht auf der bewährten passiven Analog-Signaturanalyse und dem Vergleich einer Gut-Baugruppe mit dem Prüfling. So können typische Fehler in der Elektronikproduktion als auch in Service und Reparatur rasch und ohne Schaltungskenntnisse lokalisiert werden:
Das GRS200 System besteht aus Analog-Signatur-Hardware und einer leistungsfähigen Software mit LIVE-Signaturanalyse, Programm-Mode, CAD-Daten-Darstellung, Schaltplaneinbindung, Baugruppenfotos, Reparaturberichten und der optionalen Anbindung eines Digital-Multimeters.
Das neue GRS200
Wiederholbare, genaue, rückführbare Messungen, Präzisionskalibriert mittels Eichleitungen Datenaufzeichnung und Testprotokolle
Hochflexible Silikonleitungen und zwei hochwertigen Sets an Prüfspitzen
Adapterplatte ACC769 führt alle 128 Kanäle des Scanners auf ein konfigurierbares Lochrasterfeld
Test Clip Sets für DIL (Dual-In-Line) und SOIC (Small Outline ICs) werden integrierte Bausteine direkt in der Schaltung kontaktiert.
Test Clip Sets für DIL (Dual-In-Line) und SOIC (Small Outline ICs) werden integrierte Bausteine direkt in der Schaltung kontaktiert.
Test Clip Sets für DIL (Dual-In-Line) und SOIC (Small Outline ICs) werden integrierte Bausteine direkt in der Schaltung kontaktiert.
Broschüre download
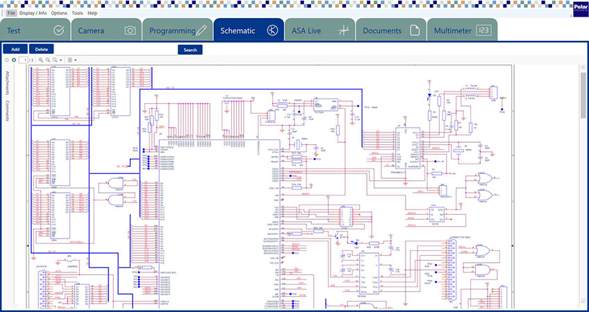
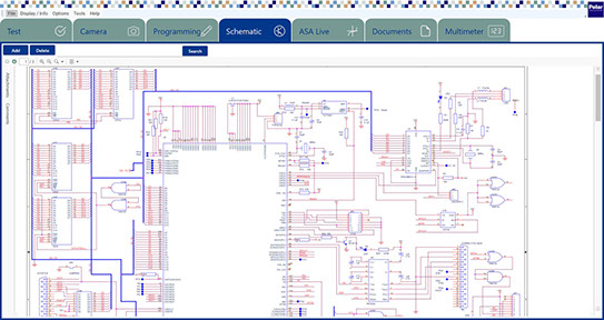
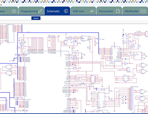
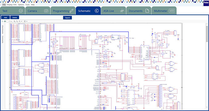
CAD Darstellung
Das GRS200 importiert CAD-Daten aus über 20 verschiedenen Formaten, inklusive GenCAD, Hyperlynx, IPC-2581, ODB++ und macht diese für den Reparatureinsatz sichtbar. Schaltungsnetze können grafisch hervorgehoben und die damit verbundenen Bauteile angezeigt werden.
Analog-Signatur-Analyse
Der Knotenimpedanztest erfolgt an der stromlosen Baugruppe, wobei ein strombegrenztes Wechselspannungssignal eine Impedanz-Signatur aus Spannung und Strom erzeugt. Das GRS200 System vergleicht die Signaturen der Defekt-Baugruppe mit einem gespeicherten Gutmuster und zeigt allfällige Abweichungen über einem definierten Grenzwert an.
Prüfprogramme
Allen in der CAD-Datei vorhandenen Schaltungsnetze werden Testpunkte zugeordnet und deren Analog-Signaturen für den späteren Vergleich gespeichert.
Manuelle Programmierung
Sind keine CAD-Daten vorhanden, so können Prüfprogramme manuell durch Definition der Gehäuseformen und der Pinanzahl erstellt werden.
Dokumentation
Fügen sie Schaltpläne und weitere begleitende Dokumente wie Datenblätter, Fotos, etc. dem Reparaturprojekt hinzu.
Integriertes Multimeter
Ergänzend zum passiven Knotenimpedanztest bietet das GRS200 die Möglichkeit, ein externes Multimeter in den Prüfablauf zu integrieren und Spannungswerte, Widerstände, Frequenzen, Temperaturen, etc., definierten Prüfpunkten im CAD-Layout zuzuordnen. So können kritische Schaltungsnetze auf Sollwerte überprüft und automatisch verglichen werden.
Integrierter Kurzschluss-Lokalisator
Kurzschlüsse zwischen Schaltungsnetzen zählen zu den häufigsten Fehlern in der Elektronikfertigung. Bei weit verzweigten Netzen wie Stromversorgungs- oder Bussystemen sind diese Kurzschlüsse sehr schwierig zu lokalisieren. Das GRS200 bietet einen integrierten Kurzschluss-Lokalisator, welcher über eine hochempfindliche Vierdraht-Widerstandsmessung und Tonführung die Netze anhand der CAD-Daten verfolgt und die Kurzschlussstelle auf wenige Millimeter eingrenzt.
Reparaturbericht
Baugruppen werden in einem Reparaturbericht erfasst und die Fehlerursache dokumentiert. So können Fehlerschwerpunkte und Erfahrungswerte aus der Vergangenheit erfasst werden.
Integrierte Kamera
Über die optionale USB Kamera werden Bilder der Baugruppe aufgenommen und mit dem Prüfprogramm als Fotodokumentation abgespeichert.
Kontaktieroptionen
Für die Kontaktierung der Leiterplatte stehen vielfältige Optionen zur Verfügung: Manuelle Prüfspitzen, IC Testclips, Steckadapter bis hin zum automatisierten Flying Probe Testsystem GRS550.
Sie haben ein Polar T4000, TD8000, PFL720, PFL760 oder PFL780 Fehlerdiagnosegerät? – die neue GRS200 ist auch als Softwareupgrade zu diesen Geräten erhältlich.
Polar instruments GmbH
Aichereben 16
4865 Nussdorf am Attersee
Austria
+43 7666 20041-0
Fax +43 7666 20041-20
Polar Instruments (Asia Pacific) Pte Ltd
Interlocal Centre, #07-23
100G, Pasir Panjang Road,
Singapore 118523
+65 6873 7470 / +65 6873 7470
Fax +65 6872 7471
mail@polarinstruments.asia
www.polarinstruments.asia
HOME
PRODUKTE
TETSYSTEME FÜR DIE ELEKTRONIKFERTIGUNG
TETSYSTEME FÜR DIE ELEKTRONIKREPARATUR
TESTSYSTEME FÜR SIGNALINTEGRITÄT
IMPEDANZMESSUNG AUF LEITERPLATTEN
DÄMPFUNGSMESSUNG AUF LEITERPLATTEN
ATLAS VNA
IMPEDANZBERECHNUNG
MULTILAYER-LAGENAUFBAUDOKUMENTATION
ZUVERLÄSSIKEITSPRÜFUNGEN AN LEITERPLATTEN
SUPPORT
KONTAKT
PRESSE