PCB stackup, signal integrity and controlled impedance Software and test systems for PCB assembly and repair
GRS 200
PCB Fault Locator
Typical production and manufacturing departments have a small percentage of PCBs that require fault location to component level after assembly. Whether your volume is high or low, the GRS200 PCB Fault Locator can help you locate these faults rapidly and cost effectively. The GRS200 is based on proven Analog-Signature Analysis, comparing the nodal impedance between an unpowered known good board and a faulty PCB. The GRS200 finds typical production faults in electronics manufacturing as well as defective components in Service & Repair without detailed circuit knowledge:
The GRS200 System comprises of Analog-Signatur-Hardware and powerful software providing LIVE-Signature Analysis, Program-Mode, CAD-Data-Viewer, Schematic Diagrams, PCB images, Repair Reports, and an optional Digital-Multimeter Interface.
The new GRS200
Highly flexible silicone test wires and two sets of high quality test probes
Interface adapter ACC769 connects all 128 scanner channels to a configurable breadboard area
Test integrated components directly in-circuit via the built-in scanner of the GRS200 and a wide choice of test clips for DIL and SOIC packages.
Test integrated components directly in-circuit via the built-in scanner of the GRS200 and a wide choice of test clips for DIL and SOIC packages.
Test integrated components directly in-circuit via the built-in scanner of the GRS200 and a wide choice of test clips for DIL and SOIC packages.
2
3
Brochure download
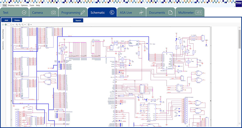
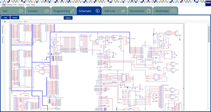
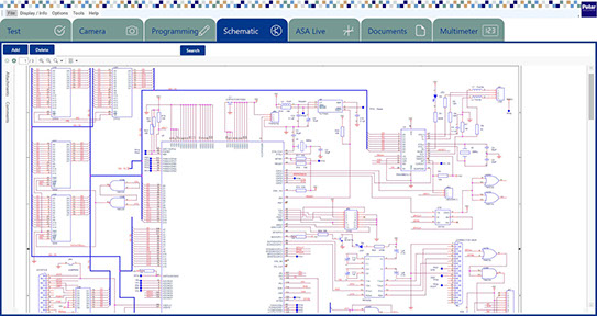
CAD Viewer
GRS200 imports CAD Data in more than 20 popular formats, including GenCAD, Hyperlynx, IPC-2581, ODB++ and displays the PCB layout for faultfinding purposes. Faulty nets can be selected with a mouse click and highlighted in red or blue. Query net information on each faulty net and display connected components.
Analog-Signatur-Analysis
The nodal impedance test is made on unpowered PCBs, by applying a current limited sinewave voltage, producing a graph of voltage against current for the node. The GRS200 will compare the nodal response of a defective PCB with that of a known good PCB previously learned and stored. It will automatically identify signatures that exceed a defined tolerance and identify components that are suspect.
Test Programs
All nets contained in the CAD data will be allocated a test point and analog signatures will be stored for later comparison.
Manual Programming
In case no CAD Data is available – such as in third party service and repair applications – use manual programming by entering the IC package style and pin number.
Documentation
Add and display circuit diagrams and other supporting documents such as component´s datasheets, photos, etc. to the repair project.
Integrated Multimeter (optional)
In addition to power-off nodal impedance test, the GRS200 provides an interface to an optional external Multimeter, adding measurement capabilities for voltage, resistance, frequency, temperature, etc. Measurement values may be stored for critical nets on the circuit board and compared with live measurements during the fault finding process.
Integrated Short-Locator (optional)
A significant percentage of electronics manufacturing and in-service defects are caused by PCB short-circuits or faulty devices loading the circuit. Conventional fault location techniques can be used to diagnose the presence of shorts, but not their physical location. Using the 4-Wire resistance measurement of the optional Multimeter, the GRS200 traces the shorted nets and produces a sound with a pitch proportional to the measured resistance. This way, the physical location of the short may be located to within a few millimeters.
Repair Report
For each PCB assembly under repair, a repair report may be produced to record and document all relevant information such as serial number, repair history, faults found. Historical data from previous repairs may help to identify faults at an early stage.
Integrated Camera (optional)
Use the optional high resolution USB camera to take images of the PCB unter test to record fault information and store in the test file.
Polar instruments GmbH
Aichereben 16
4865 Nussdorf am Attersee
Austria
+43 7666 20041-0
Fax +43 7666 20041-20
Polar Instruments (Asia Pacific) Pte Ltd
Interlocal Centre, #07-23
100G, Pasir Panjang Road,
Singapore 118523
+65 6873 7470 / +65 6873 7470
Fax +65 6872 7471
mail@polarinstruments.asia
www.polarinstruments.asia
© 2024 Polar Instruments GmbH
|
Distributors: